服务热线

13776817345
网站导航
智能温度开关
当前位置:首页 >> taptapbeta >> taptao网页

TXTC2型智能温度开关

更新时间:2015-03-21 03:06:48

简要描述:

一、概述 TXT智能温度开关的感温元件不同于机械式的热胀冷缩原理,而是采用高精度的铂热电阻做感温传感器,当介质温度变化时,其阻值随着发生变化的特征来检测温度。整合高精度工业线路元件、具有高稳定性,无触点型的智能温度开关。...

详细介绍

一、概述
TXT智能温度开关的感温元件不同于机械式的热胀冷缩原理,而是采用高精度的铂热电阻做感温传感器,当介质温度变化时,其阻值随着发生变化的特征来检测温度。整合高精度工业线路元件、具有高稳定性,无触点型的智能温度开关。
应用领域
l 油路温度的监控领域     
l 水泥行业
l 机电自动化             
l 冶金行业
l 润滑系统               
l 环保行业

二、基本参数

三、选型表

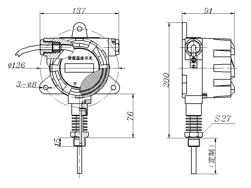
四、尺寸图

 


产品咨询

留言框

  • 产品名称:

  • 留言内容:

  • 您的姓名:

  • 联系手机:

上一篇:没有了!

下一篇:2088款智能温度开关

推荐产品

Copyright © 2020-2021 taptap国际版官方2025最新版安卓下载 All Rights Reserved.  苏ICP备12002763号-5

地址:江苏省常州市关河西路180号恒远大厦17楼 电话:13776817345 邮箱:634822881@qq.com

在线咨询 QQ交谈 微信咨询 13776817345

在线咨询

联系电话

Baidu
map